咨詢熱線
173 5651 3571
1.概述
DTS6607、DSS6607型三相電子式電能表是采用進口專用大規模集成電路,16位A/D轉換、數字乘法器、應用數字采樣處理技術及SMT工藝,根據工業用戶實際用電狀況所設計、制造的新型儀表。該表采用獨立三單元計量模塊能精確地測量三相正向和反向的有功電能。計量誤差具有優異的長期穩定性。其性能符合GB/T17215-2002標準對三相電能表的各項技術要求。
主要特點:具有良好的抗電磁騷擾、低自耗、高精度、防竊電、寬量程、長壽命、可配液顯示電量。
本電表適用于環境溫度為—10~50℃,相對濕度不超過85%。
2.功能與特點
1、具有雙向計量有功電能的功能,液晶顯示器顯示總電量;
2、具有RS-485及紅外通訊,可遠程方便地抄出電能表的總電量;
3、可設置或回抄:總電量、儀表常數、表地址、表密碼等參數;
4、具有編程開關,可在線編程;
5、芯片內部具有看門狗系統,使數據更安全可靠,停電數據長久保存(連續停電可保存10年以上);
6、互相隔離的電源,分別為CPU、計量部分及RS485接口提供可靠的工作電源。
7、具有斷相指示功能。
8、通訊規約
按《多功能電能表通信規約Multi-function watt-hour meter communication protocol》 DL/T 645—1997中華人民共和國電力行業標準執行。
3.工作原理
DTS6607、DSS6607型三相靜止式電能表工作原理如圖1所示。
本電能表采用三相供電方式,并在任一單相供電情況下能正常工作。
電能表工作時,電壓、電流經取樣電路分別取樣后,送至大規模專用集成電路緩沖放大、再由16位A/D轉換器轉換成數字信號,經數字乘法器運算后,送到CPU進行處理,最后,CPU將處理過的數據根據需要送至顯示部分、步進計數器等輸出單元。
4.規格型號及技術指標
4.1規格型號
型號
準確度
等 級
參比電壓
Un
額定電流
Ib
接入方式
儀表常數
imp/kWh
DTS6607
DSS6607
0.5,1
3X220/380
3X57.7/100
1.5(6)
互感式
1600
10(40)
直接式
400
15(60)
20(80)
160
4.2基本誤差(平衡負載誤差極限)
電流值
功率因素(COSφ)
基本誤差(%)
0.5
1
0.01Ib≦I<0.05Ib
1.0
±1.0
0.02Ib≦I<0.05Ib
±1.5
0.05Ib≦I
±0.5
0.02Ib≦I<0.1Ib
0.5(感性)
0.8(容性)
0.05Ib≦I<0.1Ib
0.1Ib≦I
±0.6
注:(Ib額定電流Imax最大電流)
4.3起動
在參比電壓,參比頻率及COSφ=1.0的條件下,負載電流為0.001Ib(0.5級)、0.002Ib(1級)儀表應能連續計量電量。
4.4潛動
電壓回路加額定電壓115%,電流線路中無電流時,儀表的測試輸出不應產生多于一個的脈沖。
4.5電壓范圍
正常工作電壓:0.9Un-1.1Un
極限工作電壓:0.8Un-1.15Un
4.6功耗
電壓線路功耗:≦2W和5VA
電流線路功耗:≦1VA
4.7氣侯條件
正常工作溫度: -10℃ +45℃ 極限工作溫度: -20℃ +55℃
存貯和運輸溫度:-25℃ +70℃一年中的30天(以自然方式擴散)濕度可達95%,其余時間有時可達85%。
4.8機械尺寸
外形尺寸:228mm×144mm×72mm
4.9重量:約1.2kg
5.安裝和接線
5.1電表在出廠時經檢驗合格,并加封鉛印。如無鉛印或貯存過久,應請有關部門重新校驗加封,方可安裝使用。
5.2電表上部有掛鉤螺釘孔,用M4掛鉤螺釘固定,電表下部有2個安裝孔用M4X10或M4X12普通螺釘固定在接線板上。電能表的安裝、尺寸如圖下:
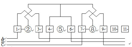
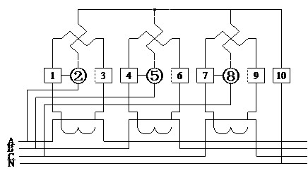
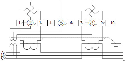
5.3電表應按照端鈕盒蓋反面所貼的接線圖正確接線,擰緊接線螺釘。
5.3.1功能端子接線:(圖4.1)
SHAPE \* MERGEFORMAT
5.3.2電源端子接線圖
DTS6607型三相四線直接式接線圖(圖4.2)
DSS6607型三相四線經電流互感器接線圖(圖4.3)
DSS6607型三相三線直接式接線圖(圖4.3)
DSS6607型三相三線經電壓電流互感器接線圖(圖4.4)
6.運輸和存貯
產品在運輸和拆封時不應受到劇烈沖擊,并根據GB/T15464-1995《儀器儀表包裝通用技術條件》規定運輸和存貯。
庫存和保管應在原包裝條件下存放在支架上,疊放高度不應超過5層。
保存的地方應清潔,其環境溫度應為0-40℃,相對濕度不超過85%,且在空氣中不含有足以引起腐蝕的有害物質。
7.保證期限
電能表自出廠日起,在用戶遵守說明書規定要求,且制造廠鉛封仍完整的條件下,若發現電能表不符合技術條件所規定的要求時,公司給予一年包退,三年包換,五年包修。
附錄:
數據標識
數據名稱
標識符
數據格式
數據長度
讀寫特性
當前有功總電能
9010
XXXXXX.XX
4
只讀
當前電量數據塊
901F
20
電表常數
C030
NNNNNN
3
電表號
C032
NN……..NN
6
讀寫
密碼權限及密碼
C212
NNNNNNNN
寫
*凍結有功電能量
9A10
電能總底度
C119
NNNNNN.NN
反向有功總電能
9020
*斷、送電控制
C028
NNNN
2
電表運行狀態字
C020
狀態字
Copyright 2016 浙江拓強電氣有限公司 版權所有 未經本公司授權抄襲版面或傳播,定將追究法律 All Rights Reserved 浙ICP備15026934號-5